
全國免費客服電話 18268652722 郵箱:www.jungshuodz@163.com
手機:18268652722
電話:18268652722
地址:寧波市北侖區大碶廟前山路45號
人氣:

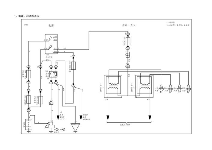
VDS掃描車輛無故障碼,檢查保險發現,儀表配電盒:點火線圈、電噴1、電噴2,電壓只有8V;點火線圈插接件電源針腳也只有8V。解答:一輛比亞迪唐EV車主遇到EV功能受限問題,故障碼揭示了多處問題:P1AC300高壓互鎖3故障、P1D7800穩壓系統故障、BMS放電限制以及IGBT短路和驅動組。一輛2017款比亞迪e5車,按下一鍵起動開關,儀表點亮,儀表提示請檢查動力系統,OK燈無法點亮。
高壓電控故障:后驅動電機控制器報P1C0500和前驅動電機控制器報P1BB1500,均顯示高壓欠壓。根據對充電系統工作原理的分析,認為該故障很可能是交流充電控制引導電路故障、電源控制裝置故障或車輛充電控制裝置故障。因此,測得充電槍的CC端和PE端之間的電阻為681,這是正常的,因為儀器的充電連接指示燈可以正常點亮,相應地,CC端和PE端之間的連接信號也是正常的。

維修小結:使用試燈測試電源時,應使用帶功率的,二極管試燈無法判斷電源是實電還是虛電。BMS上電時,充電程序執行,儀器充電指示燈信號下拉,儀器充電連接指示燈亮。組合儀表動力電池充電連接指示燈亮,表示充電連接正在進行中,但沒有充電連接成功顯示,因此無法完成交流充電,車輛沒有其他故障。深入分析BMS數據流,電池組總電壓為711V,SOC為69%,預充狀態為正在預充,但高壓模塊數據流均無高壓電。

粉絲提供零基礎新能源汽修課程,十年汽車維修與控制器設計培訓經驗。比亞迪唐EV在行駛過程中遇到了一系列功能受限的問題,讓我們一起探索其背后的故障檢修過程。由于比亞迪E5純電動汽車具有預充功能,因此預充服務器集成在儀表控制單元中。維修小結:對于BMS報高壓系統主接觸器燒結故障時,一定要按技術部要求去檢修車輛,不能去清除故障碼后再上電,而應先確認主接觸器是否正常后才能進行下一步維修。

根據故障現象,可以初步排除動力電池故障(電池處于可充電狀態,SOC為46%)、高壓聯鎖線路故障、高壓系統漏電故障等。參考《電動汽車傳導充電系統》(GB/T 18487.1-2015),本標準給出的交流充電控制指導電路原理如圖2所示。

由于動力電池包高壓電通過高壓線束連接到四合一高壓電控總成上,四合一高壓電控總成是整個車輛高壓電控制的核心部件,它將VOTG、車載充電機、高壓配電箱、DC/DC四部分總成在一體,對高壓電集中管理。為了安全,2017款比亞迪e5車電池模組之間串聯了3個接觸器和1個高壓維修開關。
相關推薦