
全國免費客服電話 18268652722 郵箱:www.jungshuodz@163.com
手機:18268652722
電話:18268652722
地址:寧波市北侖區大碶廟前山路45號
人氣:


將變頻器切換至自動模式,調節末端排風設備,觀察風機頻率是否變化,管道靜壓值是否同步調節。若壓差值不滿足要求,則按照排風機調試方法調節新風機變頻器的頻率,直至實驗室內外壓差值滿足相關要求。此時,測量并記錄此時風道的靜壓值,并將該值設置為新風靜壓控制器的整定值。在新能源領域,高壓風機主要應用于風力發電、太陽能發電、氫能等。
同時還可以減少閥門機械和風機葉輪的磨損。安裝變頻器來調節風速,可以大大減少風機葉輪的磨損,減少風機振動,節省檢查維護成本和時間,變頻調速后可以實現更好的工業自動化。同時,高壓風機還可以用于風力發電機組的冷卻系統,以保證風力發電機組的正常運行。然后開啟排風系統末端的排風設備至設計要求的使用狀態(如同一系統中通風柜及其他相關設備同時使用的概率)。
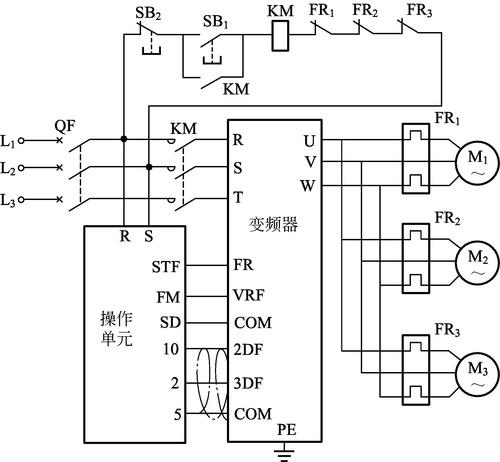
風道、風閥、排風口:應清理風道,檢查風道內調節閥、防火閥、排煙閥的運行情況。調試前,確保風道上的VAV調節閥和送排風口的調節閥均處于打開狀態,風道上的防火閥應處于打開位置。由于變頻器的軟啟動可以減少電機啟動時對電網的沖擊,并且運行時,出風閥門開到最大,根據工藝和參數的要求,電機轉速為適當調節管道的風量。從而調節設備內氣體流量的控制。
風機啟動時,用鉗形電流表測量電機的啟動電流,待風機正常運轉后再測量電機的運行電流。總的來說,高壓風機的應用已經成為新能源領域不可或缺的一部分。其在風力發電、太陽能發電、氫能等方面的應用,為新能源的可持續發展提供了重要的支撐和支撐。保證。可選配逆變調節,具有過壓、欠壓、過流、過載、缺相等多重保護功能,可減少事故發生并及時提供故障信息;
在實驗室的調試過程中,新型排風機組的變頻調試也至關重要。調試的好壞將直接影響實驗室的安全、節能、穩定。速度可調,可通過變頻器等設備平滑調節風機轉速。風量大操作簡單,使用方便。實驗室是一個動態且高風險的環境。尤其是通風柜表面風速和送排風控制系統的穩定運行,對實驗室的安全起著重要作用。因此,試運行期間整個實驗室的調試必須保證整個實驗室的安全。系統運行安全穩定。
高壓鼓風機是一種能產生高壓氣流的機械裝置。其主要作用是將空氣或氣體壓縮成高壓狀態,應用于工業生產、環境保護、新能源開發等領域。風扇:檢查風扇接線是否正確,并用兆歐表檢查各相絕緣電阻。同時檢查風機、電機型號、規格是否與設計相符;檢查傳動皮帶輪的松緊是否合適。用手轉動皮帶時,檢查葉輪是否有卡阻現象;檢查風機出口處的柔性短管是否緊固。
相關推薦