
全國免費客服電話 18268652722 郵箱:www.jungshuodz@163.com
手機:18268652722
電話:18268652722
地址:寧波市北侖區大碶廟前山路45號
人氣:


基頻以上調速基頻以上調速時,頻率可以從基頻向上增加,但電壓U始終保持在額定電壓,輸出功率基本不變。逆變電路—— DC-AC部分逆變電路是AC-DC-AC變頻器的核心部分。六個三極管按其導通順序分別用VT1VT6表示。與三極管反并聯的二極管起到續流作用。同時,由于變頻器可以實現軟啟動,降低啟動電流,有利于提高電機的壽命和可靠性。
PWM調制是利用半導體開關器件的開通和關斷,將直流電壓調制成電壓可變、頻率可變的電壓脈沖串。讓我們看一下變頻器的組件,了解它們如何與云一起改變頻率和電機速度。摘要:變頻器主要是一種通過改變電機工作電源的頻率來控制交流電機的電源控制裝置。由于變頻器極大地提高了交流電機的調速范圍和調速性能,交流電機在各個應用領域逐漸取代直流電機,甚至在交流伺服控制領域;
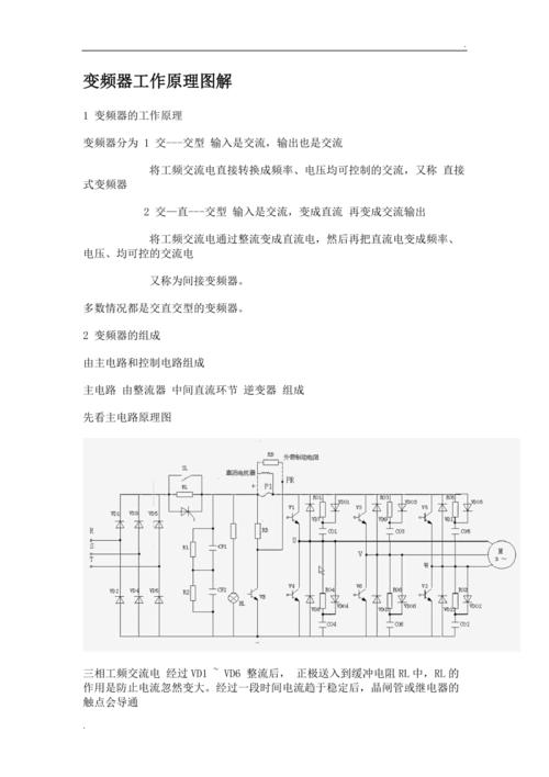
直流母線的第二個組件并不是在所有變頻器中都可見,因為它不直接影響頻率轉換。變頻器:通過改變三相異步電動機的電源頻率,可以改變同步轉速,達到調速的目的。由于GTR逆變器的開關頻率太低,電機噪聲大,而IGBT有效地解決了這個問題。控制電路:用于產生逆變橋輸出所需的各種驅動信號。這些信號由外部指令決定,包括頻率上升和下降、外部開關控制以及變頻器內部的各種保護和反饋信號。綜合控制等
直流變頻空調分為兩類:一類是僅壓縮機電機采用無刷直流電機;一類是僅壓縮機電機采用無刷直流電機;二是不僅壓縮機,室內外風扇也采用無刷直流電機。這是一款全直流變頻空調。變頻空調可根據環境溫度自動選擇制熱、制冷、除濕等運行模式,使房間在短時間內快速達到所需溫度,并能以較小的溫差波動達到所需溫度。低速、低能耗。節能舒適的控溫效果。
變頻器的工作原理是通過控制電路來控制主電路。主電路中的整流器將交流電變換為直流電。直流中間電路對直流電進行平滑和濾波。逆變器最終將直流電轉換成所需頻率和電壓的交流電。當調速低于基頻(額定頻率)時,電壓和頻率同時變化,但變化曲線不同。使用逆變器時,需要根據負載性質進行設置。額定頻率稱為基頻。變頻調速時,可以從基頻向上調節(恒功率調速),也可以從基頻向下調節(恒轉矩調速)。
SPWM控制技術原理我們期望通用變頻器的輸出電壓波形是純正弦波形。但就目前的技術而言,還無法制造出功率大、體積小、輸出波形與正弦波發生器一樣標準的變頻變壓器。逆變器。變頻空調通過提高壓縮機的工作頻率,提高低溫時的制熱量。最大制熱量可達同品牌同級別空調的1.5倍,在低溫下仍能保持良好的制熱效果。
相關推薦