
全國免費客服電話 18268652722 郵箱:www.jungshuodz@163.com
手機:18268652722
電話:18268652722
地址:寧波市北侖區大碶廟前山路45號
人氣:

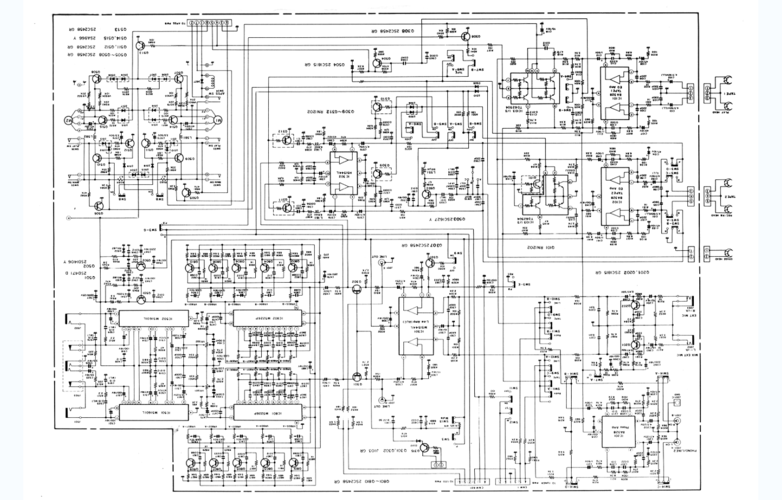
FAN7602:①腳:IUVP市電欠壓保護,當220V電源電壓低于150V時停止芯片的振蕩,開關電源停止工作,防止燒壞開關管。開機后,副電源為PFC功率因數校正電路驅動控制電路UCC28051、主開關電源驅動巨制電路DLA001的提供VCC—ON供電,主開關電源啟動工作,向主電路板負載電路提供正24伏和正12伏兩種電壓。
裝修居住,家居建材新房裝修老房改裝房屋風水裝修主材裝修服務建材家具戶型面積風格款式空間房間。如果不熟悉空調維修操作或沒有相關維修經驗,請勿嘗試自行修復以免造成更大的損失或安全隱患。對于沒有微處理器的電路板,觀察板上元器件,看應用5V 電源的芯片多不多。

當開關電源失控輸出電壓異常升高時,輔助繞組整流后的電壓也同步升高,C7070上電壓超過25V時,ZD7077齊納擊穿,芯片②腳電壓超過4V,啟動保護電路關斷⑤腳的驅動脈沖輸出,防止擊穿損壞零件。電視待機時,采用切斷PFC功率因數校正電路驅動控制電路UCC28051、主開關電源驅動控制電路DLA00l的VCC—ON供電,主電源停止工作。

但是對于數字電路來說,由于電路都掛在總線上,沒有明確的上下級關系。為提高測試效果,在對電路板進行在線功能測試前,應對被修板做一些技術處理,以盡量削弱各種干擾對測試過程中帶來的影響。

當FAN7530的⑦腳輸出高電平時,經電阻R7042(22Ω)、D7008加到Q7005的G極,因為R7042阻值小,D7008導通時內阻更小,因此⑦腳可以給Q7005的G極提供很大的灌電流,很快地打開Q7005 ,使開關管的開啟損耗很小。

因為該機的屏幕尺寸大,整機耗電量超過100W ,因此按國家規定設計有PFC電路,PFC電路U7001芯片采用了8腳FAN7530,主開關電源U7002芯片為FAN7602,背光芯片U7003為BD9211F。當開關管的電流過大,④腳的電壓上升到0.8V時,芯片內部的過流保護電路動作,關斷⑦腳的驅動輸出,防止燒壞零件。

當背光電路發生過壓、過流保護時,從芯片13腳輸出FAIL(背光故障指示高電平),經R7058加到Q7028 的b極,該管導通,從c極輸出ERROR低電平送到主板微處理器,通知主板:背光電路發生故障。主板發出的背光ON高電平指令,通過排插CON7002的16腳,R7180加到芯片的STB端②腳,在芯片內部得到ON指令,背光電路開始工作。

因此維修起來要更困難一些,下面只著重闡述數字電路的靜態測量法,維修主要遵循以下幾個步驟來進行:
相關推薦