
全國免費客服電話 18268652722 郵箱:www.jungshuodz@163.com
手機:18268652722
電話:18268652722
地址:寧波市北侖區大碶廟前山路45號
人氣:

普通的焊接局部修復焊接方法,這種方法需要采取防止焊盤變形的軸頸表面保護措施,還需要采取焊后退火措施,沒有失效,這種方法的周期還比較短。聯軸器聯接的修法軸,去除軸的斷裂部分,用聯軸器和轉子聯接更換新軸,這種方法需要找到軸承的中心,如果不找到,就會引起電機的振動,如果情況嚴重,則聯軸器。但若因扭力的關系一定得使用到較大的電流,則建議您可將電機更換為大一等級的電機后再將電流調低以改善溫升問題。
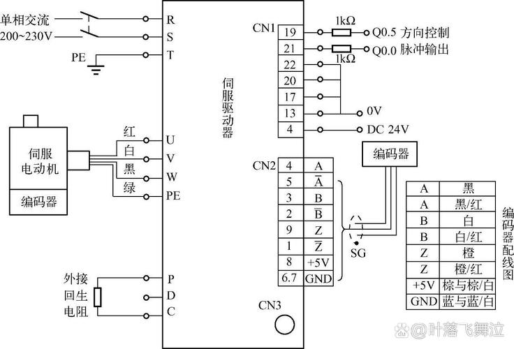
伺服主要靠脈沖來定位,伺服電機接收到一個脈沖就會一個脈沖對應的角度,從而實現位移。故障排除①查明斷點;②檢查繞組極性;判斷繞組末端是否正確;③緊固松動的接線螺絲,用萬用表判斷各接頭是否假接,;④減載或查出并消除機械故障,⑤檢查是否把規定的面接法誤接;是否由于電源導線過細使壓降過大,予以糾正,⑥重新裝配使之靈活;更換合格油脂;⑦軸承。

但若因停止保持力的關系一定得使用到較大的STOP電流時,則建議您可將電機更換為大一等級的電機后再將電流調低以改善溫升問題。故障排除①檢查電源回路開關,熔絲、接線盒處是否有斷點;②檢查熔絲型、熔斷原因,換新熔絲;③調節繼電器整定值與電動機配合;④改正接線。相位接錯將造成電機運轉不順的抖動現象,亦可能因此而產生溫升較高的問題。

故障原因①電源未通(至少兩相未通);②熔絲熔斷(至少兩相熔斷);③過流繼電器調得過小;④控制設備接線錯誤。ABB直流調速器安裝方式1、ABB臺式直流調速器:直接安放在固定的桌臺,機床,機。充磁需要有含量,通常為機外充磁與拆開充磁,前者適合一些定子磁場的充磁;而拆開充磁需要有,除了需獲知原有馬達的磁強,還需要了解分布情況,同時形狀要有保證,在選擇材質方面同樣關鍵,耐高溫、耐高電磁的材料要優先考慮。

可以通過自檢程序或者專業儀器來檢測電機的運行狀態和故障代碼,以便更快速地定位問題。SIEMENS伺服系統包括伺服驅動器和伺服電機,驅動器利用精密的反饋結合高速數字信號處理器DSP,控制IGBT產生電流輸出,用來驅動三相永磁同步交流伺服電機達到準位的調速和定位等功能,設備接地不良可能會造成觸電、火災或設備損壞。

因為大多數伺服電機是同步電機,轉子上帶磁極,用普通材料不能夠解決問題,所以材料定制尤其關鍵,同時對位要求也比普通電機更高,但更換過程并不復雜,與普通電機維修區別不大。總之,電主軸伺服電機的修理需要綜合考慮各種因素,包括設備本身的特點、具體的故障情況以及維修過程中的安全和專業性。
相關推薦