
全國免費客服電話 18268652722 郵箱:www.jungshuodz@163.com
手機:18268652722
電話:18268652722
地址:寧波市北侖區大碶廟前山路45號
人氣:


觸摸屏顯示器越來越多地取代各種設備上的機械按鈕,包括智能手機、MP3 播放器、GPS 導航系統、數碼相機、筆記本電腦和游戲,因為它們可以檢測顯示區域上觸摸的存在和位置。這兩種通訊可以互相通訊,互不影響,然后根據需要編寫相應的程序,使觸摸屏通過PLC改變變頻器的頻率。當觸摸屏幕時,兩個導電板聚集在一起,在X 板上形成電阻分壓器。
觸摸屏由兩層塑料薄膜組成,每層塑料薄膜都涂有一層導電金屬(通常是氧化銦錫),并由氣隙隔開。當用戶觸摸屏幕時,觸摸屏控制器采集用戶操作的位置和動作,將其轉換為電信號,最后交給顯示層顯示相應的結果。當觸摸屏幕時,X板與Y板接觸,將限制器輸入拉低,從而喚醒AD7879,然后開始轉換。控制器將這些數字信號轉換為具有坐標和動作識別功能的模擬信號,然后傳輸到CPU,最后顯示在屏幕上。
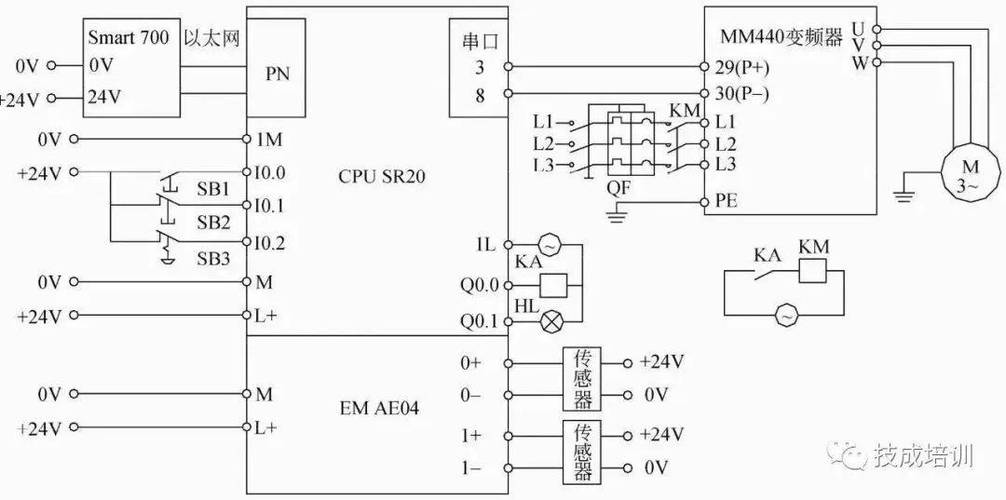
觸摸屏通過PLC控制變頻器。觸摸屏連接到PLC的編程口,然后在PLC上擴展一個485接口,然后PLC和變頻器通過485進行通信。目前,一般對變頻器的控制都需要利用PLC來實現與變頻器通訊,讀取變頻器的信息,然后觸摸屏與PLC通訊,完成變頻器啟停控制,以及監控運行頻率、電流、電壓等功能。
為了使變頻器運行,必須具備兩個條件,即啟動信號和頻率信號。因此,變頻器觸摸屏控制的實質是在觸摸屏上實現變頻器的啟動信號和頻率信號。這種方法的另一個好處是減少了所需的主機處理量和主機到觸摸屏控制器的通信量。觸摸屏和逆變器是通過通信連接的,所以這個問題歸結為觸摸屏作為通信主站,逆變器作為從站建立連接。本文分析了觸摸屏設備的特點、國外現狀及發展趨勢,設計了一種基于嵌入式觸摸屏的觸摸屏設備。
觸摸屏顯示器已廣泛應用于智能手機、平板電腦、信息查詢終端等各種電子產品中。這些設備還可以檢測溫度、電源電壓和觸摸壓力,有助于實現對現代觸摸屏顯示器的穩健檢測。逆變器均具有RS485接口,支持MODBUS協議。因此,我們只需在觸摸屏中建立一個MODBUS從站即可。下面我們通過一個實際案例向您演示如何通過觸摸屏直接控制逆變器。方法和步驟。
觸摸屏顯示器是一種集液晶顯示器、觸摸層和控制電路于一體的人機交互設備。訂單確認:消費者可以在觸摸屏上輸入產品信息、支付金額等,通過訂單確認按鈕提交訂單;主要硬件模塊包括處理器核心模塊、存儲模塊、觸摸屏模塊、鍵盤模塊、以太網。
相關推薦